Рельсовая передаточная тележка (электрическая)
АО «Чебоксарский завод»Стройдормаш» производит цеховые передаточные тележки различных видов. Передаточная тележка – оборудование, которое облегчает производственному персоналу операции по перемещение грузов как внутри цеха, так и на улице. По своей сути передаточная тележка дублирует работу мостового крана, однако преимущество передаточной тележки заключается в том, что она может перевозить груз за пределы одного помещения. Тележка предназначена для внутрицеховой транспортировки различных грузов по прямолинейным горизонтальным участкам рельсового пути.
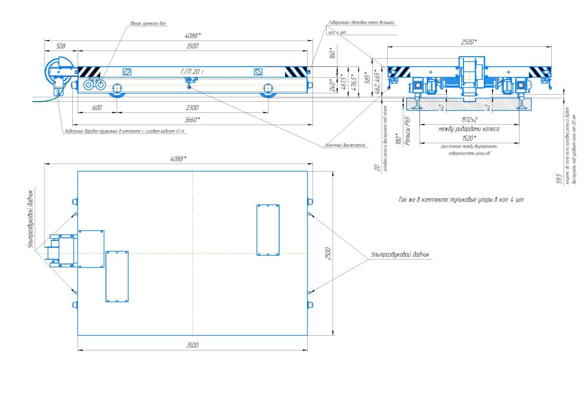
Технические характеристики
- грузоподъемность: от 0,5тн до 40тн,
- режим работы: А3 (легкий), А4 (средний),
- температурный режим: – 20+40 град, -40+40 град,
- исполнение: общепромышленное
- световая и звуковая сигнализация,
- регулирование скорости передвижения тележки: стандартная, плавный пуск, частотное управление,
- управление передаточной тележкой: пульт управления, радиоуправление,
- защитное покрытие поверхности платформы,
- оснащение прижимным устройством,
- съемные или фиксированные борта на платформе,
- площадка для оператора,
- кабельный барабан.
Не забудьте заказать дополнительные опции
- Регулирование скорости передвижения тележки:
стандартная – в самых простых системах пуска электродвигателя применяются электромагнитные пускатели, непосредственно подключающие двигатель к источнику питания, это приводит к резкому толчку груза и повышенному износу механических частей;
плавный пуск - использование устройства плавного пуска при незначительном увеличении стоимости позволяет значительно улучшить характеристики привода рельсовой тележки;
частотный преобразователь - кроме возможностей устройства плавного пуска, частотный преобразователь позволяет в широких пределах регулировать скорость передвижения передаточной тележки на различных участках пути.
- Управление передаточной тележкой:
кабельный пульт управления - наиболее надежным и дешевым вариантом управления рельсовой тележкой является кабельный пульт, смонтированный стационарно, подключенный к тележке кабелем или установленный непосредственно на передаточной тележке;
пульт радиоуправления - более удобен в эксплуатации длинномерной рельсовой платформы или при перемещении высокого груза. Он позволяет увеличить безопасность использования платформы, не ограничивая возможность перемещения оператора. - Питание тележки:
шлейфовое – простой и экономный вид подвода питания. Кабель шлейфом тянется за телегой по тросу или укладывается вдоль рельсового пути в металлическом коробе или прямо на пол. Если кабель разматывается с кабельного барабана, то кабель ложится прямо на пол, если кабель в гибком кабельном канале, то в железный лоток. В редких случаях, когда телега не часто используется кабель может просто тянется по полу за телегой например, сбоку или в углубление пола между рельсами.
4. Защитное покрытие поверхности платформы:
Предусмотрено два варианта защитного покрытия: листовым полиуретаном и листовой резиной. Покрытие обеспечивает сохранность внешнего покрытия тележки и перемещаемого груза на более долгий срок.
Ходовая балка: Проф. труба 160х120 мм,
Толщина металла: настил - лист рифленый 4 мм
Гарантия: 18 месяцев
Ходовая балка: Проф. труба 240х160 мм,
Толщина металла: настил - лист рифленый 5 мм
Гарантия: 18 месяцев
Ходовая балка: Проф. труба 180х140 мм,
Толщина металла: настил - лист рифленый 4 мм
Гарантия: 18 месяцев
Ходовая балка: Проф. труба 180х140 мм
Дополнительное оборудование: Лебёдка, обводной блок, радиоуправление, канат стальной
Гарантия: 18 месяцев





